润华

新闻动态

查看更多

当前位置:首页 > 新闻中心 > 技术分享 > D08-32C捣固车维修方案

D08-32C捣固车维修方案

文章来源:未知    上传时间:2016-03-31    浏览次数:


 
D08-32C型捣固车是Plasser&Theure公司与昆明中铁集团公司合作生产的一种新型捣固车,利用Plasser&Theure公司的先进技术和昆明中铁成熟的生产经验,研制出D08-32C型捣固车以满足不同用户的需求,通过联合设计、分工生产来完成本项目的开发。本机起道量较高,作业效率和作业精度与D0832型捣固车相同,不带材料车,结构轻便。
该车的主要特点如下:
1.D08-32C型捣固车高速走行和作业走行传动系统是采用静液压驱动。自走行速度超过了目前市场上的其它捣固车,达到了100km/h;为适应今后货车提速的需要,联挂运行速度可达到120km/h。走行驱动为液压泵和液压马达组成的一个闭式系统,液压泵采用电比例控制,使得D08-32C型捣固车在0~100km/h的行驶过程中,可实现无级调速。本机的高速和作业走行都是两轴驱动,其车轴齿轮箱有高速、低速及空档三个档位。
2.起拨道装置采用单端铰接式起拨道装置,具有结构简单、故障率低、维修方便、起拨道省力的优点。
3.本机的测量系统工作原理为三点法,其起道系统补偿方式采用了前端(理论超高与实际超高差值)作为补偿,无沉降补偿方式。通过GVA97实现自动起、拨道。
4.本机空气制动系统使用了在大型养路机械上广泛应用、技术成熟的YZ-1型空气制动系统的改进型,YZ-1G型,在原有的基础上进行了一些改进及优化设计,使得维修更方便,操作更简单。
检修方案如下:
一. 询问客户了解情况:
经询问客户后得知这是两年前的故障,昆明厂和株所的人都修过,一般能想到的办法,像看门狗电路,程控主机板,功率输出板都已经换过
二. 根据了解情况订初步方案:
从故障现象上来看,电气故障的可能最大,但是风路排风让人很难理解,这种卸荷又排风的现象感觉好像是安全回路起保护了一样,也很有可能是某一继电器或其他电气元件瞬间断开有闭合的现象,或者是接地和供电纯在似接非接状态,都会是发生这种故障发生的原因。
但是因为这是瞬间突变的信号很难再静态,和发生故障的瞬间去找到他,所以根据这种故障现象,我们打算采用示波器来测量这个瞬间突变的信号,从而找到故障的真正原因。
三. 根据故障现象,确定很有可能是安全系统的故障,下面对安全系统进行分析:
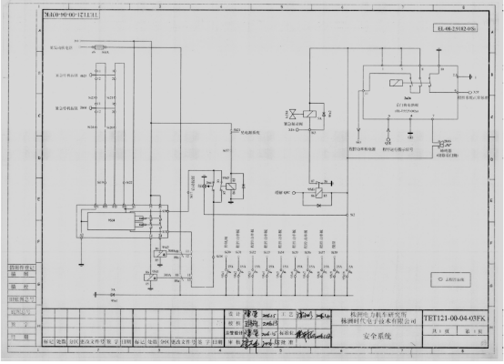
(一)主要组成
1:B95箱的d1~d5继电器;
2:B2箱EL-T5533控制电路板(俗称看门狗);
3:1S284电磁阀。
(二)基本功能
需保护状态时,安全保障系统电路控制电磁阀动作,使主风缸送来的气体经过压力调整后进入制动风缸,对单机施加制动使设备不能运行和作业,发挥保护作用,不需保护时工作正常。
(三)工作原理
1.正常情况下,当总风缸压力达到3.8bar时,单机自动制动。
正常情况下,液压系统未建立压力,当总风缸压力达到3.8bar时,即使不使用单独制动阀施加制动,制动缸仍处于制动状态。控制电路工作过程是(见图一)继电器95d5、,自保继电器95d4得电吸合,当95d4~95d5继电器得电工作后,95d1、95d2继电器得电常开触点吸合,沟通主电源供电回路,但95d3继电器未得电,1S284电磁阀不动作控制风路对制动缸充风制动。
控制电路工作过程:
电源经201→停机按钮4b23/1端→停机按钮4b23/2端→停机按钮2b60/1端→停机按钮2b60/2端→95d6继电器→地,95d6继电器得电动作。
 
电源经201→停机按钮4b23/11→停机按钮4b23/12→停机按钮2b60/11→停机按钮2b60/12→95d5继电器→地,95d6继电器得电动作。
 
电源经201→停机按钮4b23/11→停机按钮4b23/12→停机按钮2b60/11→停机按钮2b60/12→Si24端子→95d1继电器常闭触点12、11→95d2继电器常闭触点12、11→95d4继电器→地,95d4继电器得电动作,95d4继电器吸合后通过自身已闭合的触点9、6自保。
 
当95d1、95d2继电器得电后,主电源→100A保险e6→继电器95d2/88端→继电器95d2/88a端→继电器95d1/88端→继电器95d1/88a端→95e10自复保险→向控制板EL-5031、EL-5533、压力开关1b280、电磁阀1S284供电。若液压系统未接通其液压开关,1b280不动作,95d3继电器不得电,1S284电磁阀接地回路不能沟通,1S284电磁阀不动作致使主风缸3.8bar的压缩空气通过气路达制动缸,机器制动。
 
气路工作过程:
主风缸已达3.8bar的压缩气体→顺序阀12→3.6bar调压阀44→1s284电磁阀→梭阀80→制动缸。需说明的是经查找电缆表和实物对照, 1s284电磁阀在电缆表上无编号与位置,根据工作原理并对照实物
2.作业时,液压系统接通,,制动缓解。
在95d1~95d2、95d4~95d5(图一)得电动作后,电源通过95e10自复保险→EL-T5031控制板的95U1继电器→地,95e10保险送来的电源经EL-T5031控制板的95U1继电器/5、4、3、2端子→Si39端→95d3继电器→地,95d3继电器得电常开触点87、30吸合,沟通1S284电磁阀接地回路,1S284动作控制制动缸排风,制动缓解。
3.程控电路故障时自动切断其一路工作电源,作业自停。
程控系统工作正常时,Q1E信号送至EL-T5533(图一)“看门狗”控制板,当EL-T5533/2U1继电器动作后,电源2→EL-T5533/8端→2U1吸合的常开触点→EL-T5533/11端→Si43→程控系统,当程控系统故障则无Q1E信号,EL-T5533/2U1继电器失电不动作,程控系统失去工作电源2则不工作,防止造成作业时逻辑关系紊乱,保障了作业安全。
4.在特殊情况下,按下4b23、2b60(图一)任一停机按钮将切断安全保护系统的总电源,95d3失电、电磁阀1S284失电导致制动缸充风制动。
 
综上所述,
08-32C捣固车的安全系统为运行、作业提供了有力的安全保障,避免了因设备故障或误操作造成对设备、施工的进一步危害。由于新技术的引用,对使用与保养都提出了新的要求,为尽快适应新设备,认为对其安全保护系统尤应注意以下几个方面:
(1) 当11b24、5b34开关接通后制动仍不缓解但发动机运转正常,重点检查95e10是否跳开,95d3继电器、电磁阀1s841是否损坏等。
(2) 作业时制动不能缓解,除检查以上的项目外,还要检查95U1继电器、是否工作正常。
(3)发生以上情况时,若发动机不能停机,检查2b60、4b23是否压下、95d1~95d5继电器是否良好。
 
 
                                      图一
 
                                      图二
 
四. 安全系统主要的作用是系统供电和安全制度,现在根据故障现象来看,应该是系统供电部分的故障。
五. 工作原理分析后,看图一、二来分析导致故障的可能。
1. Si32-Si36都是给程控功率板供电的,以及保险95e3-95e7任何一个端点,继电器,电路板,出现断电的现象都会导致故障的发生。所以要认真检查这些部分看有没有瞬间失电又得电的现象,从而找到故障点。
2. 安全系统主要以B95箱为主,与之相关的还有B2箱、B4箱、B5箱、B13箱。这些电气箱组成了整个安全系统,所以要检查箱子直接的导线是否有破皮或接触不良的现象,及进箱之后各个连接端子,箱子的接地都是否良好。
3. 确认供电接地是否正常,检查201、e6、95e10及接地是否都正常,接触是否良好。
4. 检查各个开关是否有接触不好或瞬间动作或恢复的可能,如4b23、2b60、2b61、5b21、
5. 检查导线是否有破皮或因震动瞬间接地的现象
6. 检查接线端子是否有接触不好的现象
7. 检查各个继电器工作是否正常,接线是否良好,如95d1-95d5
检查程控信号是否正常,如XE6、(紧急制动)Q1E、(程控运行指示信号)X5F(程控系统正常脉冲)

返 回